
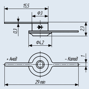
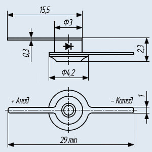
3И306Л
30 ₴
Показати оптові ціниМінімальна сума замовлення на сайті — 300 грн
- В наявності
- Оптом і в роздріб
- +380 (98) 151-78-76Радиодетали
3И306Г
Діод 3И306Г арсенідогалієвий, тунельний, перемикачний.
Призначений для застосування в перемикальних пристроях.
Маса діода не більш ніж 0,15 г.
Деякі електричні параметри:
Піковий струм:
При Т = 25 С:
- 3И306Г, 3И306Е 1,8-2,2 мА
- 3И306Ж, 3И306К, 3И306Р 4,5-5,5 мА
- 3И306Л, 3И306М, 3И306Н, 3И306С 9-11 мА
При Т=100 С:
- 3И306Г, 3И306Е 1,5-2,4 мА
- 3И306Ж, 3И306К, 3И306Р 3,9-5,9 мА
- 3И306Л, 3И306М, 3И306Н, 3И306С 7,7-11,8 мА
При Т=-60 С:
- 3И306Г, 3И306Е 1,5-2,4 мА
- 3И306Ж, 3И306К, 3И306Р 3,8-5,9 мА
- 3И306Л, 3И306М, 3И306Н, 3И306С 7,6-11,8 мА
Відношення пікового струму до струму западини, не менш ніж:
- У разі Т = 25 °C 8
- За Т = 100 °C 6
Напруга піка не більш ніж:
- У разі Т = 25 °C 0,17 В
- У разі Т = 100 °C 0,2 В
Загальна ємність у точці мінімуму вольта-амперної характеристики за f = 1-10 МГц:
- 3И306Г, не більш ніж 8 ПФ
- 3И306Е 4-12 пФ
- 3І306Ж, не більш ніж 15 пФ
- 3И306К 8-25 пФ
- 3И306Л, не більш ніж 12 ПФ
- 3І306М, не більш ніж 30 ПФ
- 3И306Н 15-50 пФ
- 3И306Р 4-25 пФ
- 3И306С 10-50 пФ
Граничні експлуатаційні дані:
Постійний прямий струм:
В імпульсному режимі перемикання:
При Т=-60-+25 С
- 3И306Г, 3И306Ж, 3И306Л, 3И306М 0,4 Iп
- 3И306Е, 3И306К, 3И306Р, 3И306Н, 3И306С 1,2 Iп
При Т = +100 С
- 3И306Г, 3И306Ж, 3И306Л, 3И306М 0,3 Iп
- 3И306Е, 3И306К, 3И306Р, 3И306Н, 3И306С 0,8 Iп
У постійному режимі:
При Т=-60-+25 С
- 3И306Г, 3И306Ж, 3И306Л, 3И306М 0,4 Iп
- 3И306Е, 3И306К, 3И306Р, 3И306Н, 3И306С 0,9 Iп
При Т = +100 С
- 3И306Г, 3И306Ж, 3И306Л, 3И306М 0,15 Iп
- 3И306Е, 3И306К, 3И306Р, 3И306Н, 3И306С 0,5 Iп
Постійний зворотний струм:
- 3И306Г, 3И306Е 4 мА
- 3И306Ж, 3И306К, 3И306Р 10 мА
- 3И306Л, 3И306М, 3И306Н, 3И306С 20 мА
Температура довкілля -60-+100 С
| Основні | |
|---|---|
| Виробник | Fairchild Semiconductor |
- Ціна: 30 ₴
